Comprehensive Physiology Wiley Online Library

Thermal Indices and Thermophysiological Modeling for Heat Stress

Full Article on Wiley Online Library



ABSTRACT

The assessment of the risk of human exposure to heat is a topic as relevant today as a century ago. The introduction and use of heat stress indices and models to predict and quantify heat stress and heat strain has helped to reduce morbidity and mortality in industrial, military, sports, and leisure activities dramatically. Models used range from simple instruments that attempt to mimic the human‐environment heat exchange to complex thermophysiological models that simulate both internal and external heat and mass transfer, including related processes through (protective) clothing. This article discusses the most commonly used indices and models and looks at how these are deployed in the different contexts of industrial, military, and biometeorological applications, with focus on use to predict related thermal sensations, acute risk of heat illness, and epidemiological analysis of morbidity and mortality. A critical assessment is made of tendencies to use simple indices such as WBGT in more complex conditions (e.g., while wearing protective clothing), or when employed in conjunction with inappropriate sensors. Regarding the more complex thermophysiological models, the article discusses more recent developments including model individualization approaches and advanced systems that combine simulation models with (body worn) sensors to provide real‐time risk assessment. The models discussed in the article range from historical indices to recent developments in using thermophysiological models in (bio) meteorological applications as an indicator of the combined effect of outdoor weather settings on humans. © 2016 American Physiological Society. Compr Physiol 6:255‐302, 2016.

Comprehensive Physiology offers downloadable PowerPoint presentations of figures for non-profit, educational use, provided the content is not modified and full credit is given to the author and publication.

Download a PowerPoint presentation of all images


Figure 1. Figure 1. Official WBGT instrument according to ISO 7726 and ISO 7243, showing (left to right) shielded dry bulb, black globe (15 cm diameter), and natural wet bulb (wetted cotton wick over sensor with water reservoir below) sensors.
Figure 2. Figure 2. Cross‐section of cylindrical model containing five concentric annular tissue compartments; dimensions shown are for reference individual (70 kg, 1.8 m2). Kraning and Gonzalez (150), redrawn with permission J. Therm. Biology.
Figure 3. Figure 3. Schematic representation of the Lotens clothing model, showing the four clothing/air layers and the related network of heat and vapor resistances for conduction, radiation, and convection (166). Reproduced with permission from author (copyright holder).
Figure 4. Figure 4. Graphical representation of the classic Wissler model that terminates at the wrists and ankles. Each of the 25 elements consists of 21 radial layers and 12 angular segments. The new model has four additional elements for two hands and two feet that are highlighted in red. Hensley et al. (107), reproduced with permission Journal of Biomechanical Engineering.
Figure 5. Figure 5. Schematic representation of feedback control system of thermoregulation using a two compartment (core, skin) representation of the body. In this “set point” concept, an individual unified controller is assumed to be present.
Figure 6. Figure 6. Schematic representation of feedback control system of thermoregulation using a two compartment (core, skin) representation of the body. This model contains thresholds for individual effector systems, which in combination lead to an overall body “balance point” (253), rather than being controlled by an individual set point value.
Figure 7. Figure 7. Schematic diagram of the FPC human body model with segmental, spatial, tissue, and nodal subdivisions. Reproduced from (55) with approval of the copyright holder.
Figure 8. Figure 8. Schematic diagram of the FPC Model of human thermoregulation: feedback system with local skin and tissue temperatures, head core (hypothalamus) temperature, and the rate of change of skin temperature as punitive signals. Set point temperatures T sk,i,0, T i,0, and T hy,0 refer to the body's thermoneutral state at 30°C room temperature. Reproduced from (55) with approval of the copyright holder.
Figure 9. Figure 9. Control equation coefficients as nonlinear functions of temperature input signals from the body core and the skin. Reproduced from (63) with kind permission from Springer Science + Business Media.
Figure 10. Figure 10. 3D geometry models for detailed human heat‐transfer analysis using a combination of a thermophysiological model with computational fluid dynamics simulations.
Figure 11. Figure 11. Schematic diagram of the calculation process constituting the scalable FPC Human Anthropometry model. Reproduced from (55) with approval of the copyright holder.
Figure 12. Figure 12. Comparison of predicted body part lengths forming the stature with data obtained for male subjects from the CEASAR Project (212,39) for 10 body height categories (59). Reproduced from (55) with approval of the copyright holder.
Figure 13. Figure 13. Relative weight of body parts: comparison of the Reference Model with measured data (38,186). Reproduced from (55) with approval of the copyright holder.
Figure 14. Figure 14. The model's body fat content (left) and total skin surface area (right) as functions of the body height and weight obtained for (35 years old) male subjects compared with experimentally based data (95,47). Reproduced from (55) with approval of the copyright holder.
Figure 15. Figure 15. Representation of the core to skin heat resistance network to represent individual differences in anthropometrics and blood circulation in a two radial node model (98,100). Reproduced with permission of the copyright holder (G. Havenith).
Figure 16. Figure 16. Input parameters into the thermoregulatory system model to simulate responses of individuals: direct model input and variations of body configuration as indirect input (98,100). Reproduced with permission from Journal of Applied Physiology.
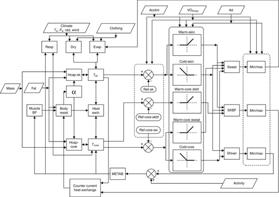
Figure 17. Figure 17. Schematic representation of control function for skin blood flow and sweat rate with effect of fitness and acclimatization causing shifts in thresholds and gain values (98,100). Reproduced with permission from Journal of Applied Physiology.
Figure 18. Figure 18. Simulation results for subjects with different anthropometric characteristics using the Yokota individualized model (273). Reproduced with permission from Journal of Thermal Biology.
Figure 19. Figure 19. Comparison of predicted and measured group‐average (left) and individual (right) rectal temperature responses. Left: group of athletes (n = 6) exercising at 11.7 met; right: single athlete exercising at 13.2 met. Fit.M: fit male (VO2max =60 mL·kg−1·min−1), s.fit.M: standard‐fit male (40 mL kg−1·min−1), s.fit.F: standard‐fit female (40 mL kg−1·min−1), ref.M: Reference Model (40 mL kg−1·min−1).
Figure 20. Figure 20. Physiology‐based Dynamic Bayesian Network for thermoregulation. Formula temperature, formula gain, formula loss, formula rate, formula from accelerometry, and formula flux. White nodes represent latent variables and gray nodes are observed variables (23). Reproduced with permission from IEEE.
Figure 21. Figure 21. Schematic diagram of the “individualized” FPC model adapted for use with different types of peripheral sensors and boundary conditions at the body/skin surface to predict the body core temperature and other physiological responses. Reproduced from (55) with approval of the copyright holder.
Figure 22. Figure 22. Measured and predicted responses of subjects (n = 20) wearing a permeable suit and exposed for 110 min to hot environmental conditions of 40.4°C, 23.4% RH, 0.4 m/s. The group‐average rectal temperature (T re) and total body weight loss (M sw) were predicted from different configurations of skin temperature sensors (T sk,m and T sk,c) and environmental conditions (Ehx) as input boundary conditions.
Figure 23. Figure 23. Concept of UTCI derived as equivalent temperature from the dynamic multivariate response of the thermophysiological UTCI‐Fiala model (56), which was coupled with a clothing model (101). Reproduced from (20) with permission from Journal of Industrial Health.
Figure 24. Figure 24. Validation of model prediction using the quality of prediction at high risk core temperatures, using concept of False Positives and False Negatives (209,210), assuming 38.7°C is used as cut off criterion for the predicted value of core temperature and 39.0°C for actual core temperature as the limit value for risk. Modified and reproduced with permission from copyright holder (209).


Figure 1. Official WBGT instrument according to ISO 7726 and ISO 7243, showing (left to right) shielded dry bulb, black globe (15 cm diameter), and natural wet bulb (wetted cotton wick over sensor with water reservoir below) sensors.


Figure 2. Cross‐section of cylindrical model containing five concentric annular tissue compartments; dimensions shown are for reference individual (70 kg, 1.8 m2). Kraning and Gonzalez (150), redrawn with permission J. Therm. Biology.


Figure 3. Schematic representation of the Lotens clothing model, showing the four clothing/air layers and the related network of heat and vapor resistances for conduction, radiation, and convection (166). Reproduced with permission from author (copyright holder).


Figure 4. Graphical representation of the classic Wissler model that terminates at the wrists and ankles. Each of the 25 elements consists of 21 radial layers and 12 angular segments. The new model has four additional elements for two hands and two feet that are highlighted in red. Hensley et al. (107), reproduced with permission Journal of Biomechanical Engineering.


Figure 5. Schematic representation of feedback control system of thermoregulation using a two compartment (core, skin) representation of the body. In this “set point” concept, an individual unified controller is assumed to be present.


Figure 6. Schematic representation of feedback control system of thermoregulation using a two compartment (core, skin) representation of the body. This model contains thresholds for individual effector systems, which in combination lead to an overall body “balance point” (253), rather than being controlled by an individual set point value.


Figure 7. Schematic diagram of the FPC human body model with segmental, spatial, tissue, and nodal subdivisions. Reproduced from (55) with approval of the copyright holder.


Figure 8. Schematic diagram of the FPC Model of human thermoregulation: feedback system with local skin and tissue temperatures, head core (hypothalamus) temperature, and the rate of change of skin temperature as punitive signals. Set point temperatures T sk,i,0, T i,0, and T hy,0 refer to the body's thermoneutral state at 30°C room temperature. Reproduced from (55) with approval of the copyright holder.


Figure 9. Control equation coefficients as nonlinear functions of temperature input signals from the body core and the skin. Reproduced from (63) with kind permission from Springer Science + Business Media.


Figure 10. 3D geometry models for detailed human heat‐transfer analysis using a combination of a thermophysiological model with computational fluid dynamics simulations.


Figure 11. Schematic diagram of the calculation process constituting the scalable FPC Human Anthropometry model. Reproduced from (55) with approval of the copyright holder.


Figure 12. Comparison of predicted body part lengths forming the stature with data obtained for male subjects from the CEASAR Project (212,39) for 10 body height categories (59). Reproduced from (55) with approval of the copyright holder.


Figure 13. Relative weight of body parts: comparison of the Reference Model with measured data (38,186). Reproduced from (55) with approval of the copyright holder.


Figure 14. The model's body fat content (left) and total skin surface area (right) as functions of the body height and weight obtained for (35 years old) male subjects compared with experimentally based data (95,47). Reproduced from (55) with approval of the copyright holder.


Figure 15. Representation of the core to skin heat resistance network to represent individual differences in anthropometrics and blood circulation in a two radial node model (98,100). Reproduced with permission of the copyright holder (G. Havenith).


Figure 16. Input parameters into the thermoregulatory system model to simulate responses of individuals: direct model input and variations of body configuration as indirect input (98,100). Reproduced with permission from Journal of Applied Physiology.


Figure 17. Schematic representation of control function for skin blood flow and sweat rate with effect of fitness and acclimatization causing shifts in thresholds and gain values (98,100). Reproduced with permission from Journal of Applied Physiology.


Figure 18. Simulation results for subjects with different anthropometric characteristics using the Yokota individualized model (273). Reproduced with permission from Journal of Thermal Biology.


Figure 19. Comparison of predicted and measured group‐average (left) and individual (right) rectal temperature responses. Left: group of athletes (n = 6) exercising at 11.7 met; right: single athlete exercising at 13.2 met. Fit.M: fit male (VO2max =60 mL·kg−1·min−1), s.fit.M: standard‐fit male (40 mL kg−1·min−1), s.fit.F: standard‐fit female (40 mL kg−1·min−1), ref.M: Reference Model (40 mL kg−1·min−1).


Figure 20. Physiology‐based Dynamic Bayesian Network for thermoregulation. Formula temperature, formula gain, formula loss, formula rate, formula from accelerometry, and formula flux. White nodes represent latent variables and gray nodes are observed variables (23). Reproduced with permission from IEEE.


Figure 21. Schematic diagram of the “individualized” FPC model adapted for use with different types of peripheral sensors and boundary conditions at the body/skin surface to predict the body core temperature and other physiological responses. Reproduced from (55) with approval of the copyright holder.


Figure 22. Measured and predicted responses of subjects (n = 20) wearing a permeable suit and exposed for 110 min to hot environmental conditions of 40.4°C, 23.4% RH, 0.4 m/s. The group‐average rectal temperature (T re) and total body weight loss (M sw) were predicted from different configurations of skin temperature sensors (T sk,m and T sk,c) and environmental conditions (Ehx) as input boundary conditions.


Figure 23. Concept of UTCI derived as equivalent temperature from the dynamic multivariate response of the thermophysiological UTCI‐Fiala model (56), which was coupled with a clothing model (101). Reproduced from (20) with permission from Journal of Industrial Health.


Figure 24. Validation of model prediction using the quality of prediction at high risk core temperatures, using concept of False Positives and False Negatives (209,210), assuming 38.7°C is used as cut off criterion for the predicted value of core temperature and 39.0°C for actual core temperature as the limit value for risk. Modified and reproduced with permission from copyright holder (209).
References
 1. Almeida SP , Casimiro E , Calheiros J . Effects of apparent temperature on daily mortality in Lisbon and Oporto, Portugal. Environ Health 10: 9‐12, 2010. doi: 10.1186/1476‐069X‐9‐12.
 2. Al‐Othmani MN , Ghaddar K , Ghali A . Multi‐segmented human bioheat model for transient and asymmetric radiative environments. Int J Heat Mass Transfer 51(23‐24): 5522‐5533, November 2008. ISSN 0017‐9310, http://dx.doi.org/10.1016/j.ijheatmasstransfer.2008.04.017.
 3. Arkin HL , Xu X , Holmes KR . Recent developments in modeling heat transfer in blood perfused tissues. IEEE Trans Biomed Eng 41.2: 97‐107, 1994.
 4. Armstrong LE , Casa DJ , Millard‐Stafford M , Moran DS , Pyne SW , Roberts WO . Exertional heat illness during training and competition, ACSM position stand. Med Sci Sports Exerc 39(3): 556‐572, 2007. doi: 10.1249/MSS.0b013e31802fa199
 5. Ashley CD , Luecke CL , Schwartz SS , Islam MZ , Bernard TE . Heat strain at the critical WBGT and the effects of gender, clothing and metabolic rate. Int J Ind Ergonom 38(7): 640‐644, 2008.
 6. Avolio AP . Multi‐branched model of the human arterial system. Med Biol Eng Comput 18: 709‐718, 1980.
 7. Azer NZ , Hsu S . The prediction of thermal sensation from a simple model of human physiological regulatory response. ASHRAE Trans 83(I): 88‐102, 1977.
 8. Bedford T . Environmental warmth and its measurement. Med Res Council Memo 17. HMSO, London, 1946.
 9. Belding HS . The search for a universal heat stress index. In: Hardy JD , editor. Physiological and Behavioural Temperature Regulation. Springfield IL: CC Thomas, 1970.
 10. Belding HS , Hatch TF . Index for evaluating heat stress in terms of resulting physiological strain. Heat Pip Air Condit 27: 129‐36, 1955.
 11. Bernard TE . Heat stress and protective clothing: An emerging approach from the United States. Ann Occup Hyg 43(5): 321‐327, 1999.
 12. Bernard TE , Caravello V , Schwartz SW , Ashley CD . WBGT clothing adjustment factors for four clothing ensembles and the effects of metabolic demands. J Occup Environ Hyg 5(1): 1‐5, 2007.
 13. Bernard TE , Hanna WM . Environmental effects on WBGT and HSI using a computer simulation. Int J Ind Ergonom 3(2): 103‐113, December 1988. ISSN 0169‐8141, http://dx.doi.org/10.1016/0169‐8141(88)90013‐3.
 14. Binkley HM , Beckett J , Casa DJ , Kleiner DM , Plummer PE . National athletic trainers' association position statement: Exertional heat illnesses. J Athl Train 37: 329‐343, 2002.
 15. Bland JM , Altman DG . Measuring agreement in method comparison studies. Stat Methods Med Res 8(2): 135‐60, 1999. doi:10.1191/096228099673819272
 16. Blazejczyk K , Epstein Y , Jendritzky G , Staiger H , Tinz B . Comparison of UTCI to selected thermal indices. Int J Biometeorol 56(3): 515‐535, 2012.
 17. Bligh J . Regulation of body temperature in man and other mammals. In: Shitzer A , Eberhart RC , editors. Heat Transfer in Medicine and Biology - Analysis and Applications. New York and London: Plenum Press, 1985, Vol. 1, Chap. 2.
 18. Botsford JH . A wet globe thermometer for environmental heat measurement. Am Ind Hyg Assoc J 32.1: 1‐10, 1971.
 19. Brake DJ , Bates GP . Limiting metabolic rate (thermal work limit) as an index of thermal stress. Appl Occup Environ Hyg 17.3: 176‐186, 2002.
 20. Bröde P , Błazejczyk K , Fiala D , Havenith G , Holmér I , Jendritzky G , Kampmann B . The Universal Thermal Climate Index UTCI compared to ergonomics standards for assessing the thermal environment. Ind Health 51(1): 16‐24, 2013.
 21. Bröde, P , Fiala D , Błażejczyk K , Holmér I , Jendritzky G , Kampmann B , Tinz B , Havenith G . Deriving the operational procedure for the Universal Thermal Climate Index (UTCI). Int J Biometeorol 56: 491‐494, 2012.
 22. Budd GM . Wet‐bulb globe temperature (WBGT)—its history and its limitations. J Sci Med Sport 11(1): 20‐32, 2008.
 23. Buller MJ , Castellani J , Roberts WS , Hoyt RW , Jenkins OC . Human thermoregulatory system state estimation using non‐invasive physiological sensors. In: Engineering in Medicine and Biology Society, EMBC, 2011 Annual International Conference of the IEEE, 3290‐2393, 2011.
 24. Buller MJ , Tharion WJ , Cheuvront SN . Estimation of human core temperature from sequential heart rate observations. Physiol Meas 34(7): 781, 2013. doi:10.1088/0967‐3334/34/7/781.
 25. Candas V , Libert JP , Hoeft A , Vogt JJ . The required wettedness and the sweat rate. In: New Trends in Thermal Physiology. New York: Masson Publ., 1978, p. 114‐115.
 26. Cegnar T , Kalkstein LS . Development of heat watch/warning system in Rome. In: de Dear RJ et al., editor. Biometeorology and Urban Climatology at the Turn of the Millennium: Selected Papers from the Conference ICB‐ICUC'99 Sydney, 8‐12, November 1999. Geneva: World Meteorological Organization (WMO/TD No. 1026, WCASP‐50), 2000.
 27. Charny CK , Weinbaum S , Levin RL . An evaluation of the Weinbaum‐Jiji bioheat equation for normal and hyperthermic conditions. ASME J Biomech Eng 112: 80‐87, 1990.
 28. Chen MM , Holmes KR . Microvascular contributions in tissue heat transfer. Ann N Y Acad Sci 355: 137‐150, 1980.
 29. Cheuvront SN , Montain SJ , Goodman DA , Blanchard L , Sawka MN . Evaluation of the limits to accurate sweat loss prediction during prolonged exercise. Eur J Appl Physiol 101(2): 215‐224, 2007.
 30. Colin J , Timbal J , Houdas Y , Boutelier C , Guieu J . Computation of mean body temperature from rectal and skin temperatures. J Appl Physiol 31(3): 484‐489, 1971.
 31. Conti S , Minelli G , Solimini R , Toccaceli V , Vichi M , Beltrano C , Perini L . Epidemiologic study of mortality during summer 2003 in italian regional capitals: results of a rapid survey. In: Kirch W , Menne B , Bertollini R , editors. World Health Organization. Regional Office for Europe & Institute of Medicine (U.S.). Roundtable on Environmental Health Sciences, Research, and Medicine, Extreme Weather Events and Public Health Responses (1st ed). Berlin: Springer, 109‐120, 2005.
 32. Cook EL . Epidemiological approach to heat trauma. Milit Med 116: 317‐322, 1955.
 33. Craig FN. Relation between heat balance and physiological strain in walking men clad in ventilated impermeable envelope. Fed Proc 9: 26, 1950.
 34. Cropper PC , Yang T , Cook MJ , Fiala D , Yousaf R . Coupling a model of human thermoregulation with computational fluid dynamics for predicting human‐environment interaction. J Build Perform Simul 1: 1‐11, 2010.
 35. Crosbie RJ , Hardy JD , Fessenden E . Electrical analog simulation of temperature regulation in man. IRE Trans Biomed Electron 8.4: 245‐252, 1961.
 36. d'Ambrosio Alfano FR , Malchaire J , Palella BI , Riccio G . WBGT index revisited after 60 years of use. Ann Occup Hyg 58(8): 955‐970, 2014 doi:10.1093/annhyg/meu050.
 37. d'Ambrosio Alfano FR , Palella BI , Riccio G . On the problems related to natural wet bulb temperature indirect evaluation for the assessment of hot thermal environments by means of WBGT. Ann Occup Hyg 56(9): 1063‐1069, 2012.
 38. Daanen H , Heerlen MC . Anthropometric Data. In: Manual of the ARB5 Program. Arbouw Foundation, P.O. Box 8114, Amsterdam, The Netherlands, Chap. 3, 1990, pp. 3‐9.
 39. Daanen H , Robinette KM . CAESAR: The Dutch data set, TNO‐report TM‐01‐C026, TNO Human Factors, Kampweg 5, P.O. Box 23, 3769 ZG Soesterberg, The Netherlands, 2001.
 40. Davey S , Richmond V , Griggs K , Gerrett N , Havenith G . The use of non‐invasive measures to predict thermal strain: How accurate are universal models? In: Cotter JD, Lucas SJE, Mündel T, editors. Proceedings International Conference on Environmental Ergonomics, 2012, p. 263.
 41. Davey S , Richmond V , Griggs K , Havenith G . Decision algorithm for the heat stressed worker: Empirical analysis. Prospie EU Project, Deliv. 3.2 Report: 1‐98, 2011.
 42. de Freitas CR , Grigorieva EA . A comprehensive catalogue and classification of human thermal climate indices. Int J Biometeorol, 1‐12, 2014.
 43.Departments of the Army, Navy and Air Force. Occupational and Environmental Heat stress control and heat casualty management. Report TB Med 507/AFPAM 48‐152 (I) Headquarters, Department Of The Army and Air Force Technical Bulletin, 7 March 2003.
 44. Deurenberg P , Ge K , Gaj‐Hautvast J , Jingzhong W . Body mass index as predictor for body fat: Comparison between Chinese and Dutch adult subjects. Asia Pac J Clin Nutr 6: 102‐105, 1997.
 45. Díaz JR , García F , Velázquez de Castro E , Hernández C , López AO . Effects of extremely hot days on people older than 65 years in Seville (Spain) from 1986 to 1997 Int J Biometeorol 46‐3: 145‐149, 2002. DOI: 10.1007/s00484‐002‐0129‐z
 46. Droog RPJ , Kingma BRM , van Marken Lichtenbelt WD , Kooman JP , Van der Sande FM , van Steenhoven AA , Frijns AJH . Mathematical modelling of thermal and circulatory effects during hemodialysis. Artif Organs 36(9): 797‐811, 2012. doi: 10.1111/j.1525‐1594.2012.01464.x
 47. DuBois D , DuBois EF . A formula to estimate the approximate surface area if height and weight be known. Arch Intern Med 17: 863‐871, 1916.
 48. Durbin J , Watson GS . Testing for serial correlation in least squares regression. II. Biometrika 38: 159‐178, 1951.
 49. Eberhart EC. Thermal models of single organs. In: Shitzer A , Eberhart RC , editors. Heat Transfer in Medicine and Biology - Analysis and Applications. New York London: Plenum Press, 1985, Vol. 1, Chap. 12.
 50. Efron B , Tibshirani R . An Introduction to the Bootstrap. Boca Raton; London; New York; Washington D.C.: Chapman & Hall/CRC, 1993.
 51. Ellis K . Human body composition: In vivo methods. Physiol Rev 80(2): 649‐680, 2000.
 52. Epstein Y , Stroschein LA , Pandolf KB . Predicting metabolic cost of running with and without backpack loads. Eur J Appl Physiol Occup Physiol 56 5: 495‐500, 1987.
 53. Fanger PO . Thermal Comfort ‐ Analysis and Applications in Environmental Engineering. New York; London; Sidney; Toronto: McGraw‐Hill, 1970.
 54. Ferreira Domingos CM. Improvement of a physiological human model. Master thesis Environmental Engineering University of Lisbon, 2014.
 55.Fiala D, Havenith G. Modelling human heat transfer and temperature regulation. In: Gefen A, Epstein Y, eds. The Mechanobiology and Mechanophysiology of Military‐Related Injuries, Stud Mechanobiol Tissue Eng Biomater, Springer Berlin Heidelberg, 2015, (In Press). DOI 10.1007/8415_2015_183
 56. Fiala D , Havenith G , Bröde P , Jendritzky G . UTCI‐Fiala multi‐node model of human heat transfer and temperature regulation. Intl J Biometeorol 56(3): 429‐441, 2012.
 57. Fiala D , Davey S , Psikuta A . Decision algorithms for the heat stressed worker: Numerical analysis. Prospie EU Project, Deliv. 3.2 Report: 1‐50, 2011.
 58. Fiala D , Psikuta A , Jendritzky G , Paulke S , Nelson DA , van Marken Lichtenbelt WD , Frijns AJH . Physiological modeling for technical, clinical and research applications. Front Biosci S2: 939‐968, 2010.
 59. Fiala D , Havenith G , Daanen H . Dynamic thermophysiological model of a worker. Prospie EU Project, Report Deliv. 3.1, 1‐58, 2010.
 60. Fiala D , Lomas KJ , Stohrer M . A computer model of human thermoregulation for a wide range of environmental conditions: The passive system. J Appl Physiol 87: 1957‐1972, 1999.
 61. Fiala D , Bunzl A , Lomas KJ , Cropper PC , Schlenz D . A new simulation system for predicting human thermal and perceptual responses in vehicles. In: Schlenz D , editor. PKW‐Klimatisierung III: Klimakonzepte, Regelungsstrategien und Entwicklungsmethoden. Expert Verlag Renningen, Haus der Technik Fachbuch, 2004, Renningen, Germany, Vol. 27, pp. 147‐162.
 62. Fiala D , Lomas KJ , Stohrer M . First principles modelling of thermal sensation responses in steady state and transient boundary conditions. ASHRAE Trans 109 (1): 179‐186, 2003.
 63. Fiala D , Lomas KJ , Stohrer M . Computer prediction of human thermoregulatory and temperature responses to a wide range of environmental conditions, Int J Biometeorol 45(3), 143‐159, 2001.
 64. Fiala D , Lomas KJ . Application of a computer model predicting human thermal responses to the design of sports stadia. Proceedings of the CIBSE National Conference, Harrogate, 1999, pp. 492‐499.
 65. Fiala D . Dynamic Simulation of Human Heat Transfer and Thermal Comfort, PhD Thesis De Montfort University, 1998.
 66. Fu M , Weng W , Yuan H . Numerical simulation of the effects of blood perfusion, water diffusion, and vaporization on the skin temperature and burn injuries. Numer Heat Tr A‐Appl 65(12): 1187‐1203, 2014.
 67. Gagge AP . A two‐node model of human temperature regulation in fortran. In: Parker Jr. JF , West VR , editors Bioastronautics Data Book. Washington DC: NASA SP‐3006, 1971, pp. 247‐262.
 68. Gagge AP . An effective temperature scale based on a simple model of human physiological regulatory response. Ashrae Trans 77: 247‐262, 1971.
 69. Gagge AP , Fobelets AP , Berglund PE . A standard predictive index of human response to the thermal environment. ASHRAE Trans 92: 709‐731, 1986.
 70. Gagge AP , Nishi Y , Gonzalez RR . Standard effective temperature. Symposium Thermal Comfort and Moderate Heat Stress. London: CIB Commission W45, Building Research Establishment, 1972.
 71. Gagge AP , Nishi Y , Heat exchange between human skin surface and thermal environment. Comprehensive Physiology, 2011.
 72. Gagge AP , Rapp GM , Hardy JD . The effective radiant field and operative temperature necessary for comfort with radiant heating. ASHRAE Trans 73(1): 63‐66, 1967.
 73. Gisolfi CARL , Robinson S . Central and peripheral stimuli regulating sweating during intermittent work in men. J Appl Physiol 29: 761‐768, 1970.
 74. Givoni B . Estimation of the effect of climate on man: Development of a new thermal index. Technion‐IIT, Building Research Station, 1963.
 75. Givoni B . Man Climate and Architecture, London: Applied Science Publishers Ltd, 1976.
 76. Givoni B , Goldman RF . Predicting metabolic energy cost. J Appl Physiol 30 3: 429‐433, 1971.
 77. Givoni B , Goldman RF . Predicting rectal temperature response to work, environment, and clothing. J Appl Physiol 32(6): 812‐822, 1972.
 78. Givoni B , Goldman RF . Predicting heart rate response to work, environment, and clothing. J Appl Physiol 34(2): 201‐204, 1973.
 79. Givoni B , Goldman RF . Predicting effects of heat acclimatization on heart rate and rectal temperature. J Appl Physiol 35(6): 875‐879, 1973.
 80. Goldman RF . Heat stress in industrial protective encapsulating garments, In: Levine SP , Martin WF , editors. Protecting Personnel at Hazardous Waste Sites. Ann Arbor, MI: Ann Arbor Science Publishers, 1984, pp. 295‐355.
 81. Goldman RF . Standards for human exposure to heat. In: Mekjavic IB , Banister EW , Morrison JB , editors. Environmental Ergonomics. Philadelphia: Taylor & Francis, 1988, pp. 99‐138.
 82. Goldman RF , Kampmann B . The Handbook on Clothing. Biomedical Effects of Military Clothing and Equipment Systems, Report NATO Research Study Group 7, 2007.
 83. Gonzalez RR . SCENARIO revisited: Comparisons of operational and rational models in predicting human responses to the environment. J Therm Biol 29‐7: 515‐527, 2004.
 84. Gonzalez R , Berglund L , Gagge A . Indices of thermoregulatory strain for moderate exercise in the heat. J Appl Physiol 44: 889‐899, 1978.
 85. Gonzalez RR , Cheuvront SN , Goodman DA , Blanchard LA , Berglund LG , Sawka MN . Corrections to the Shapiro Equation used to Predict Sweating and Water Requirements. Report New Mexico State Univ Las Cruces Dept of Biology T‐07, 2008.
 86. Gonzalez RR , Cheuvront SN , Montain SJ , Goodman DA , Blanchard LA , Berglund LG , Sawka MN . Expanded prediction equations of human sweat loss and water needs. J Appl Physiol 107: 379‐388, 2009.
 87. Gonzalez RR , Cheuvront SN , Ely BR , Moran DS , Hadid A , Endrusick TL , Sawka MN . Sweat rate prediction equations for outdoor exercise with transient solar radiation. J Appl Physiol 112: 1300‐1310, 2012. First published January 12, 2012; doi:10.1152/japplphysiol.01056.2011.
 88. Gonzalez, RR , Kenefick RW , Muza SR , Hamilton SW , Sawka MN . Sweat rate and prediction validation during high‐altitude treks on Mount Kilimanjaro. J Appl Physiol 114(4): 436‐443, 2013.
 89. Gonzalez RR , McLellan TM , Withey WR , Chang SK , Pandolf KB . Heat strain models applicable for protective clothing systems: Comparison of core temperature response. J Appl Physiol 83: 1017‐1032, 1997.
 90. Gordon CC , Churchill T , Clauser CE , Bradtmiller B , McConville JT , Tebbetts I , Walker RA . 1988 anthropometric survey of U.S. army personnel: methods and summary statistics. Technical Report Nattick/TR‐89/044, Yellow Springs, Ohio, 1‐638, 1989.
 91. Gordon RG , Roemer RB , Horvath SM . A mathematical model of the human temperature regulatory system ‐ transient cold exposure response. IEEE Trans Biomed Eng 23: 434‐444, 1976.
 92. Gribok AV , Buller MJ , Hoyt RW , Reifman J . Individualized short‐term core temperature prediction in humans using biomathematical models. IEEE Trans Biomed Eng 55‐5: 1477‐1487, 2008.
 93. Gribok AV , Buller MJ , Hoyt RW , Reifman J . A real‐time algorithm for predicting core temperature in humans. IEEE Trans Inf Technol Biomed 14‐4: 1039‐1045, 2010.
 94. Haldane JS . The influence of high air temperatures No. I. J Hyg 5.04: 494‐513, 1905.
 95. Han TS , Lean MEJ . Anthropometric indices of obesity and regional distribution of fat depots. In: Per Bjorntorp , editor. International Textbook of Obesity. John Wiley & Sons Ltd, 2001, pp. 51‐65.
 96. Haslam RA , Parsons KC . An evaluation of computer‐based models that predict human responses to the thermal environment. ASHRAE Trans 94: 1342‐1360, 1988.
 97. Haslam RA , Parsons KC . Using computer‐based models for predicting human thermal responses to hot and cold environments. Ergonomics 37(3): 399‐416, 1994.
 98. Havenith G . Individual Heat Stress Response. PhD Thesis, Catholic University Nijmegen, Netherlands, Ponsen and Looijen press, Wageningen, ISBN 90‐9010979, 1997.
 99. Havenith G . Heat balance when wearing protective clothing. Ann Occup Hyg, 43‐5: 289‐296, 1999, ISSN 0003 4878.
 100. Havenith G . Individualized model of human thermoregulation for the simulation of heat stress response. J Appl Physiol 90: 1943‐1954, 2001.
 101. Havenith G , Fiala D , Blazejczyk K , Richards M , Bröde P , Holmér I , Rintamäki H , Benshabat Y , Jendritzky G . The UTCI‐clothing model. Int J Biometeorol 56‐3: 461‐470, 2012.
 102. Havenith G , Heus R , Lotens WA . Clothing ventilation, vapour resistance and permeability index: Changes due to posture, movement and wind. Ergonomics 33‐8: 989‐1005, 1990.
 103. Havenith G , Inoue Y , Luttikholt VGM , Kenney WL . Age predicts cardiovascular, but not thermoregulatory, responses to humid heat stress. Eur J Appl Physiol 70‐1: 88‐97, 1995.
 104. Havenith G , Luttikholt VGM , Vrijkotte, TGM . The relative influence of body characteristics on humid heat stress response. Eur J Appl Physiol Occup Physiol 70‐3: 270‐279, 1995.
 105. Havenith G , Nilsson H . Correction of clothing insulation for movement and wind effects, a meta‐analysis, Eur J Appl Physiol 92: 636‐640, 2004.
 106. Hensel H. Thermoreception and temperature regulation. Monographs of the Physiological Society, London: Academic Press, 1981.
 107. Hensley DW , Mark AE , Abella JR , Netscher GM , Wissler EH , Diller KR . 50 years of computer simulation of the human thermoregulatory system. J Biomech Eng 135‐2: 021006, 2013.
 108. Hertig BA , Belding HS . Temperature: Its measurement and control in science and industry. Evaluation and Control of Heat Hazards, 1963, Part 3, Chap. 32, Reinhold Publishing Corp London.
 109. Hill, LO , Griffith W , Flack M . The measurement of the rate of heat‐loss at body temperature by convection, radiation, and evaporation. In: Philosophical Transactions of the Royal Society of London. Series B, Containing Papers of a Biological Character, Royal Society, London, 1916, pp. 183‐220.
 110. Hodgdon JA , Beckett MB . Prediction of percent body fat for US Navy women from body circumferences and height (No. NAVHLTHRSCHC‐84‐29). Naval Health Research Center SAN DIEGO CA. 1984.
 111. Höppe P . The physiological equivalent temperature - a universal index for the biometeorological assessment of the thermal environment. Int J Biometeorol 43: 71‐75, 1999.
 112. Höppe P Die energiebilanz des menschen. Wiss Mitt Meteorol Inst Uni München 49, 1984.
 113. Houdas Y , Ring EFJ . Human Body Temperature. Its Measurement and Regulation. New York, London: Plenum Press, 1982.
 114. Houghton FC , Yaglou CP . Determining equal comfort lines. J ASHVE 29: 165‐176, 1923.
 115. Hsia TC . A prototype segmental model for blood flow and heat transfer in the limb.Comp Progr Biomed 4: 219‐225, 1975.
 116. Huizenga C , Zhang H , Arens E . A model of human physiology and comfort for assessing complex thermal environments. Build Environ 36‐6: 691‐699, 2001.
 117.ISO 7243:1989, Hot Environments - Estimation of the Heat Stress on Working Man, Based on the WBGT‐Index (Wet Bulb Globe Temperature). Geneva: International Standards Organisation, 1989.
 118.ISO 7726:1998, Ergonomics of the Thermal Environment - Instruments for Measuring Physical Quantities. Geneva: International Standards Organisation, 1998.
 119.ISO 7933:1989, Hot environments - Analytical Determination and Interpretation of Thermal Stress Using Calculation of Required Sweat Rate (Replaced by 2004 Version). Geneva: International Standards Organisation, 1989.
 120.ISO 7933:2004, Ergonomics of the Thermal Environment - Analytical Determination and Interpretation of Heat Stress Using Calculation of the Predicted Heat Strain. Geneva: International Standards Organisation, 2004.
 121.ISO 8996:2004, Ergonomics of the Thermal Environment - Determination of Metabolic Rate. Geneva: International Standards Organisation, 2004.
 122. Ionides M , Plummer J , Siple PA . Office of the quartermaster general (US). Report from Climatology and Environmental Protection Section, September 1945.
 123. Jendritzky G . Towards a universal thermal climate index UTCI for assessing the thermal environment of the human being. Memorandum of Understanding for the implementation of a European Concerted Research Action designated as COST 730. 160th CSO Meeting December, 2004.
 124. Jendritzky G , Birger Tinz B . The thermal environment of the human being on the global scale. Glob Health Action, 2009. Published online 2009 November 11. doi: 10.3402/gha.v2i0.2005
 125. Jendritzky G , de Dear R , Havenith G . UTCI—Why another thermal index? Int J Biometeorol, 56‐3: 421‐428, 2012.
 126. Jendritzky G , Maarouf A , Fiala D , Staiger H . An update on the development of a Universal Thermal Climate Index. 15th Conf. Biomet. Aerobiol. and 16th ICB02, 27 Oct‐1 Nov 2002, Kansas City: AMS, 2002, pp. 129‐133.
 127. Jendritzky G , Nübler W . A model analysing the urban thermal environment in physiologically significant terms. Arch Met Geoph Biokl B, 29: 313‐26, 1981.
 128. Jendritzky G , Sönning W , Swantes HJ . Ein objektives Bewertungsverfahren zur Beschreibung des thermischen Milieus in der Stadt‐ und Landschaftsplanung (‘Klima‐Michel‐Modell’) [An objective assessment procedure to specify the thermal environment in urban and landscape plannung (‘Klima‐Michel model’)]. Beiträge Akad Raumforschung Landesplanung Hannover; 28: 1‐85, 1979.
 129. Jiji LM , Weinbaum S , Lemons DE . Theory and experiment for the effect of vascular microstructure on surface tissue heat transfer ‐ part II model formulation and solution. ASME J Biomech Eng 106: 331‐341, 1984.
 130. Jones BW , Ogawa Y . Transient interaction between the human and the thermal environment. ASHRAE Trans 98: 189‐196, 1992.
 131. Journeay, WS , Reardon FD , Jean‐Gilles S , Martin CR , Kenny GP . Lower body positive and negative pressure alter thermal and hemodynamic responses after exercise. Aviat Space Environ Med 75(10): 841‐849, 2004.
 132. Kalkstein LS . A new approach to evaluate the impact of climate on human health. Environ Health Perspect 96:145‐150, 1991.
 133. Kalkstein LS . Climate-health showcase projects: international heat/health watch‐warning systems. In: de Dear RJ et al., editor. Selected Papers from the Conference ICB‐ICUC, Sydney, 1999. Geneva: World Meteorological Organization/United Nations Environment Programme (WCASP‐50), 2000, pp. 127‐129.
 134. Kalkstein, LS , Davis RE , Weather and human mortality: An evaluation of demographic and interregional responses in the Unites States, Ann Assoc Am Geogr 79: 44‐64, 1989.
 135. Kalkstein LS , Valimont KM . An evaluation of summer discomfort in the United States using a relative climatological index. Bull Am Meteorol Soc 67: 842‐848, 1986.
 136. Kampmann B , Piekarski C . The evaluation of workplaces subjected to heat stress: can ISO 7933 (1989) adequately describe heat strain in industrial workplaces? Appl Ergon 31‐1: 59‐71, 2000.
 137. Kähkönen E . Comparison and error analysis of instrumentation and methods for assessment of neutral and hot environment on the basis of ISO standards. Kuopio, Finland: Kuopio University Publications, 1993.
 138. Keller KH , Seiler L . An analysis of peripheral heat transfer in man. J Appl Physiol 30‐5: 779‐786, 1971.
 139. Kenney WL . WBGT adjustments for protective clothing. Am Ind Hyg Assoc J 48: A576‐A577, 1987.
 140. Kenney WL , Mikita DJ , Havenith G , Crosby P . Simultaneous derivation of dry and evaporative heat exchange coefficients for military outerwear. In: H. Tokura , editor, 2nd International Symposium on Clothing Comfort Studies in Mt. Fuji (Japan), November 30‐December 2, 1991, p. 227‐244.
 141. Kenney WL , Mikita DJ , Havenith G , Puhl SM , Crosby P . Simultaneous derivation of clothing specific heat exchange coefficients. Med Sci Sports Exerc p. 283‐289, 1993.
 142. Kerslake D . McK. Errors arising from the use of mean heat exchange coefficients in the calculation of the heat exchanges of a cylindrical body in a transverse wind. In: JH Hardy , editor, Temperature, Its Measurement and Control in Science and Industry, (3rd ed.), 1963, Part 3, Reinhold Publishing Corp London.
 143. Kerslake D McK . The stress of hot environments. CUP Archive, 1972, Vol. 29, Monographs of the Physiological Society Cambridge University Press, Cambridge, UK.
 144. Kerslake D McK , Waddell JL . The heat exchanges of wet skin. J Physiol 141‐1: 156‐163, 1958.
 145. Kitney RI . The analysis and simulation of the human thermoregulatory control system. Med Biol Eng Jan. 74, 57‐65, 1974.
 146. Kohler E . Physiologische Reaktionen in Bereich der Hitzetoleranzgrenze bei einer ruhenden Versuchsperson (Physiological reactions in resting test subjects at the limit of their heat tolerance). Dissertation, Universitaet Tuebingen, Tuebingen, 1976, p. 29.
 147. Kondo N , Nishiyasu T , Inoue Y , Koga S . Non‐thermal modification of heat‐loss responses during exercise in humans. Eur J Appl Physiol 110‐3: 447‐458, 2010.
 148. Koppe C , Kovats S , Jendritzky G , Menne B , Breuer DJ . Heat waves: Risks and responses. Regional Office for Europe: World Health Organization, 2004.
 149. Kraning KK II , Belding HS , Hertig BA . Use of sweating rate to predict other physiological responses to heat. J Appl Physiol 21‐1: 111‐117, 1966.
 150. Kraning KK II , Gonzalez RR . A mechanistic computer simulation of human work in heat that accounts for physical and physiological effects of clothing, aerobic fitness, and progressive dehydration. J Therm Biol 22‐4: 331‐342, 1997.
 151. Kubaha K , Fiala D , Lomas KJ . Predicting human geometry‐related factors for detailed radiation analysis in indoor spaces. Proceedings of the IBPSA 8th Int Building Simulation Conference, Eindhoven, Netherlands, 2003, Vol. 2, pp. 681‐688.
 152. Kubaha K , Fiala D , Toftum J , Taki AH . Human projected area factors for detailed direct and diffuse solar radiation analysis. Int J Biometeorol 49: 113‐129, 2004.
 153. Kubaha K . Asymmetric radiation and human thermal comfort. PhD Thesis, De Montfort University, UK, 2005.
 154. Kuk JL , Lee SJ , Heymsfield SB , Ross R . Waist circumference and abdominal adipose tissue distribution: Influence of age and sex. Am J Clin Nutr 81: 1330‐1334, 2005.
 155. Kunst AE , Looman CW , Mackenbach JP . Outdoor air temperature and mortality in the Netherlands: A time series analysis: Am J Epidemiol 137: 331‐341, 1993.
 156. Kuznetz LH . A two‐dimensional transient mathematical model of human thermoregulation. Am J Physiol 6‐3: R266‐R277, 1979.
 157. Lee DHK . Proprioclimates of man and domestic animals. UNESCO Arid Zone Res Ser 10: 102‐125, 1958.
 158. Lemieux H , Blier PU , Tardif JC . Does membrane fatty acid composition modulate mitochondrial functions and their thermal sensitivities? Comp Biochem Physiol A Mol Integr Physiol 149(1): 20‐29, 2008.
 159. Libert JP , Candas V , Vogt JJ . Effect of rate of change of skin temperature on local sweating rate. J Appl Physiol 47: 306‐311, 1979.
 160. Libert JP , Vogt JJ , Candas V , Hoeft A . Influence des conditions hygrothermiques ambiantes sur le rendement evaporatoire de la sudation thermique. J Physiol 70: 717‐735, 1975.
 161. Lind AR , Effect of individual variation on upper limit of prescriptive zone of climates. J Appl Physiol 28‐1: 57‐62, 1970.
 162. Lind AR , Hellon RF . Assessment of physiological severity of hot climates. J Appl Physiol 11‐1: 35‐40, 1957.
 163. Lorenz M , Fiala D , Spinnler M , Sattelmayer T . A coupled numerical model to predict heat transfer and passenger thermal comfort in vehicle cabins. SAE Technical Paper 2014‐01‐0664, SEA International, Warrendale, PA, USA, doi:10.4271/2014‐01‐0664, 2014.
 164. Lotens WA . How well does WBGT predict heat strain - Estimates from a mathematical model, Report TNO Institute for Perception, IZF C‐12, 1986.
 165. Lotens WA . Predictive thermal modelling. In: Holmes GT , Marsh PL , Vanggaard L , Doucet J , Behmann FW , editors. Handbook on Clothing: Biomedical Effects of Military Clothing and Equipment Systems (No. NATO‐AC/243‐D/7). Belgium: North Atlantic Treaty Organization Brussels, 1988.
 166. Lotens WA . Heat transfer from humans wearing clothing. Delft University of Technology, PhD Thesis, 1993.
 167. Machle W , Hatch TF . Heat: Man's exchanges and physiological responses. Physiol Rev 27.2: 200‐227, 1947.
 168. Malchaire J . Validation des indices de contrainte thermique pour la prédiction des astreintes et des durées limites d exposition. Rapport final de recherché CECA 7247.22.01 Luxembourg, 1986.
 169. Malchaire J , d'Ambrosio Alfano F . Document presented to ISO TC159/SC5/WG1, 2014.
 170. Malchaire J , Piette A , Kampmann B , Mehnert P , Gebhardt HJ , Havenith G , Den Hartog E . Development and validation of the predicted heat strain model. Ann Occup Hyg 45‐2: 123‐135, 2001.
 171. Masterton JM , Richardson FA . Humidex, a method of quantifying human discomfort due to excessive heat and humidity. Downsview, Ontario: CLI 1‐79, Environment Canada, Atmospheric Environment Service, 1979.
 172. McArdle B , Dunham W , Holling HE , Ladel WSS , Scott JW , Thomson ML , Weiner JS . The prediction of the physiological effects of warm and hot environments. Med Res Council, London RNP Report 47/391, London, 1947.
 173. McKarns, JS , Brief RS . Nomographs give refined estimate of heat stress index. J Occup Environ Med 8‐10: 557, 1966.
 174. Mehnert P , Malchaire J , Kampmann B , Piette A , Griefahn B , Gebhardt HJ . Prediction of the average skin temperature in warm and hot environments. Eur J Appl Physiol 82(1‐2), 52‐60, 2000.
 175. Minard D . Prevention of heat casualties in Marine Corps recruits. Milit Med 126: 1961, 261‐272.
 176. Missenard A . A thermique des ambiences: équivalences de passage, équivalences de séjours. Chaleur Indust 276: 1948, 159‐72 (in French).
 177. Mitchell D . Human surface temperature: Its measurement and its significance in thermoregulation. PhD Thesis, University of Witwatersrand, Johannesburg, 1971.
 178. Mitchell D , Atkins AR , Wyndham CH . Mathematical and physical models of thermoregulation. In: Bligh, Moore editors. Essays on Temperature Regulation North‐Holland Publ. Col., 1972, pp. 37‐54.
 179. Moran DS , Epstein Y . Evaluation of the environmental stress index (ESI) for hot/dry and hot/wet climates. Ind Health 44: 2006, 399‐403.
 180. Moran, DS , and Pandolf KB . Wet bulb globe temperature (WBGT)-to what extent is GT essential?. Aviat Space Environ Med 70(5): 480‐484, 1999.
 181. Moran, DS. , Pandolf KB , Shapiro Y , Laor Y , Heled Y , Gonzalez RR . Evaluation of the environmental stress index for physiological variables. J Therm Biol 28(1): 43‐49, 2003.
 182. Moran DS , Pandolf KB , Shapiro Y , Heled Y , Mathew WT , Gonzalez RR . An environmental stress index (ESI) as a substitute for the wet bulb globe temperature (WBGT). J Therm Biol 26(4): 427‐431, 2001.
 183. Moran DS , Shitzer A , Pandolf KB . A physiological strain index to evaluate heat stress. Am J Physiol 275: 129‐134, 1998.
 184. Murakami S , Kato S , Zeng J . Combined simulation of airflow, radiation and moisture transport for heat release from a human body. Build Environ 35: 489‐500, 2000.
 185. Nadel ER , Bullard RW , Stolwijk JAJ . Importance of skin temperature in the regulation of sweating. J Appl Physiol 31: 80‐87, 1971.
 186.NASA. In: Webb Associates, editor. Anthropometric Source Book, Volume I: A Handbook of Anthropometric Data. Athropol. Res. Proj. Staff, NASA Reference Publication 1024, N79‐11734. Ohio: Yellow Springs, 1978, pp. I‐1-IX‐58.
 187.NASA. In: Webb Associates, editors. Anthropometric Source Book, Volume II: Anthropometry for Designers. Athropol. Res. Proj. Staff, NASA Reference Publication 1024. Ohio: Yellow Springs, 1978, pp. 1‐421.
 188. Hoyt RW , Buller MJ , Gunga HC , Werner A , Sattler F , Koch J , Nevola VR , Ledderhos C, Valk P, Varoneckas G, Convertino VA, Freund BJ, Van Albert S, Smrcka P, Hana K, Kaspar J, Fiala R, Ondruska V, Eminger K, Hanousek J. Real‐Time Physiological and Psycho‐Physiological Status Monitoring. NATO RTO Tech. Rep. RTO‐TR‐HFM‐132 AC/323(HFM‐132)TP/283, ISBN 978‐92‐837‐0093‐7, 2010.
 189. Nelson DA , Charbonnel S , Curran AR , Marttila EA , Fiala D , Mason PA , Ziriax JM . A high‐resolution voxel model for predicting local tissue temperatures in humans subjected to warm and hot environments. J Biomech Eng 131(4): 1003, doi:10.1115/1.3002765, 2009.
 190.NHANES III survey data. National Health and Nutrition Examination Survey, survey data charts also available on http://www.halls.md./, 1999. Accessed on Jul 2015
 191. Niedermann R , Wyss E , Annaheim S , Psikuta A , Davey S , Rossi RM . Prediction of human core body temperature using non‐invasive measurement methods. Int J Biometeorol 58(1): 7‐15, 2014.
 192. NISHI Y , GAGGE AP . Moisture permeation of clothing ‐ a factor governing thermal equilibrium and comfort, ASHRAE Trans 76: 137‐145, 1970b.
 193. Nogueira P , Paixão E . Models for mortality associated with heatwaves: Update of the Portuguese heat health warning system. Int J Climatol 28(4): 545‐562, 2008.
 194. Novieto, Divine T . Adapting a human thermoregulation model for predicting the thermal response of older persons. Thesis deMontfort University, 2013.
 195. Novieto, Divine T , Zhang Y . Thermal comfort implications of the aging effect on metabolism, cardiac output and body weight. Adapting to Change: New Thinking on Comfort symposium, 9‐11 April, NCEUB, Cumberland Lodge. Windsor, UK, 2010.
 196. Nunneley SA , Stribley RF . Fighter index of thermal stress (FITS): guidance for hot‐weather aircraft operations. Aviat Space Environ Med 50(6): 639‐642, 1979.
 197. Pandolf KB , Givoni B , Goldman RF . Predicting energy expenditure with loads while standing or walking very slowly. J Appl Physiol 43: 577‐581, 1977.
 198. Pandolf, KB , Haisman MF , Goldman RF . Metabolic energy expenditure and terrain coefficients for walking on snow. Ergonomics 19(6): 683‐690, 1976.
 199. Pandolf KB , Stroschein LA , Drolet LL , Gonzalez RR , Sawka MN . Prediction modeling of physiological responses and human performance in the heat. Comput Biol Med 16(5): 319‐329, 1986.
 200. Pandolf KB , Stroschein LA , Gonzalez RR , Sawka MN . Prediction modeling of physiological responses and soldier performance in the heat. Army Research Inst of Environmental Medicine Natick MA No. USARIEM‐M28‐89, 1986.
 201. Paquette S , Gordon C , Bradtmiller B . Anthropometric Survey (ANSUR) II Pilot Study: Methods and summary statistics. Technical report NATICK/TR‐09/014, U.S. Army Natick Soldier R&D; Center, Natick, Ohio: Yellow Springs, 2009, pp. 1‐88.
 202. Pennes HH . Analysis of tissue and arterial blood temperatures in the resting human forearm. J Appl Physiol 1: 93‐122, 1948.
 203. Pickup J , de Dear R . An outdoor thermal comfort index (OUT_SET*) ‐ Part I ‐ The model and its assumptions. In: de Dear R , Kalma J , Oke T , Auliciems A , editors. Biometeorology and Urban Climatology at the Turn of the Millennium. Selected Papers from the Conference ICB‐ICUC'99 (Sydney 8‐12 Nov. 1999). Geneva: WMO, WCASP 50, 2000, pp. 279‐283.
 204. Psikuta A . Development of an ‘artificial human’ for clothing research. PhD Thesis De Montfort University, 2009.
 205. Psikuta A , Fiala D , Laschewski G , Jendritzky G , Richards M , Blazejczyk K , Mekjavic I , Rintamäki H , de Dear R , Havenith G . Validation of the Fiala multi‐node thermophysiological model for UTCI application. Intl J Biometeorol 56(3): 443‐460, 2012.
 206. Psikuta A , Richards M , Fiala D . Single‐sector thermophysiological human simulator. Physiol Meas 29(2): 181‐192, 2008.
 207.RadTherm: Technical Documentation. Thermo Analytics Inc., 2006.
 208. Richards M , Fiala D . Modelling fire‐fighter responses to exercise and asymmetric IR‐radiation using a dynamic multi‐mode model of human physiology and results from the Sweating Agile thermal Manikin (SAM). Eur J Appl Physiol 92(6): 649‐653, 2004.
 209. Richmond V . Monitoring heat strain during work in challenging environments. Thesis Loughborough University, Environmental Ergonomics Research Centre, 2012.
 210. Richmond V , Davey S , Griggs K , Havenith G . Prediction of core body temperature from multiple variables. Annals of Ocup Hygiene in press, 2015.
 211. Richmond VL , Wilkinson DM , Blacker S , Horner FE , Carter J , Havenith G , Rayson MP . Insulated skin temperature as a measure of core body temperature for individuals wearing CBRN protective clothing. Physiol Meas 34(11): 1531, 2013.
 212. Robinette KM , Blackwell S , Daanen H , Boehmer M , Fleming S , Brill T , Hoeferlin D , Burnsides D . Civilian American and European Surface Anthropometry Resource (CAESAR). United States Air Force Research Laboratory, Final Report, AFRL‐HE‐WP‐TR‐2002‐0169, 2002.
 213. Robinson S , Meyer FR , Newton JL , Tsao CH , Golgersen LO . Relations between sweating, cutaneous blood flow and body temperature in work. J Appl Physiol 20: 575‐582, 1965.
 214. Robinson S , Turrell ES , Gerking SD . Physiologically equivalent conditions of air temperature and humidity. Am J Physiol 143: 21‐32, 1945.
 215. Rodriguez JD , Perez A , Lozano JA . Sensitivity analysis of k‐fold cross validation in prediction error estimation. IEEE Trans Pattern Anal Mach Intell 32(3): 567‐575, 2010.
 216. Romanovsky, AA . Thermoregulation: Some concepts have changed. Functional architecture of the thermoregulatory system. Am J Physiol Regul Integr Comp Physiol 292(1): R37‐46, 2007. doi:10.1152/ajpregu.00668.2006
 217. Rothfusz LP . The heat index equation (or, more than you ever wanted to know about heat index). Report SR90‐23, Scientific Services Division, Fort Worth, Texas: National Oceanic and Atmospheric Administration, National Weather Service, Office of Meteorology, 90‐23, 1990.
 218. Rowell LB , Wyss CR . Temperature regulation in exercising and heat‐stressed man. In: Shitzer A , Eberhart RC , editors. Heat Transfer in Medicine and Biology ‐ Analysis and Applications. New York and London: Plenum Press, 1985, p. 53‐78.
 219. Rugh JP , Lustbader J . Application of a sweating manikin controlled by a human physiological model and lessons learned. 6th International Thermal Manikin and Modelling Meeting, TBIS, Hong Kong, 2006.
 220. Salloum M , Ghaddar N , Ghali K . A new transient bioheat model of the human body and its integration to clothing models. Int J Therm Sci 46‐4: 371‐384, 2007. ISSN 1290‐0729, http://dx.doi.org/10.1016/j.ijthermalsci.2006.06.017.
 221. Sawka MN , Latzka WA , Montain SJ , Cadarette BS , Kolka MA , Kraning KK, II , Gonzalez RR . Physiologic tolerance to uncompensable heat: Intermittent exercise, field vs laboratory. Med Sci Sports Exerc 33: 422‐430, 2001.
 222. Sawka MN , Pandolf KB . Physical exercise in hot climates: physiology, performance, and biomedical issues. In: Wenger CB , editor. Medical Aspects of Harsh Environments. Department of the Army, Office of the Surgeon General, Borden Institute, Washington, 2002.
 223. Schickele E . Environment and fatal heat stroke; an analysis of 157 cases occurring in the Army in the US during World War II. Military surgeon 100(3): 235‐256, 1947.
 224. Severens NMW , van Marken Lichtenbelt WD , Frijns AJH , van Steenhoven AA , de Mol BAJM , Sessler DI . A model to predict patient temperature during cardiac surgery. Phys Med Biol 52: 5131‐5145, 2007.
 225. Shapiro Y , Moran D , Epstein Y , Stroschein L , Pandolf KB . Validation and adjustment of the mathematical prediction model for human sweat rate responses to outdoor environmental conditions. Ergonomics 38(5): 981‐986, 1995.
 226. Shapiro Y , Pandolf KB , Goldman RF . Predicting sweat loss response to exercise, environment and clothing. Eur J Appl Physiol Occup Physiol 48(1): 83‐96, 1982.
 227. Shitzer A . General analysis of the bioheat equation. In: Shitzer A , Eberhart RC , editors. Heat Transfer in Medicine and Biology - Analysis and Applications. New York London: Plenum Press, 1985, Vol. 1, Chap. 10.
 228. Smith C . A Transient three‐dimensional model of the human thermal system. PhD Thesis, Kansas State University, KS, USA, 1991.
 229. Staiger H , Bucher K , Jendritzky G . Gefühlte temperatur. Die physiologisch gerechte bewertung von wärmebelastung und kältestress beim aufenthalt im freien in der maßzahl grad celsius. Ann Meteorol Deutscher Wetterdienst, Offenbach 33: 100‐107, 1997.
 230. Steadman RG . The assessment of sultriness. Part I: A temperature‐humidity index based on human physiology and clothing science. J Appl Meteorol 18(7): 861‐873, 1979. doi:10.1175/1520‐0450(1979)018<0861:TAOSPI>2.0.CO;2 [1]
 231. Steadman RG . The assessment of sultriness. Part II: Effects of wind, extra radiation and barometric pressure on apparent temperature. J Appl Meteorol 18(7): 874‐885, July 1979.
 232. Steadman RG . A universal scale of apparent temperature. J Clim Appl Meteorol 23(12): 1674‐1687, 1984.
 233. Smolander J , Ilmarinen R , Korhonen O . An evaluation of heat stress indices (ISO 7243, ISO/DIS 7933) in the prediction of heat strain in unacclimated men. Int Arch Occup Environ Health 63(1): 39‐41, 1991.
 234. Stolwijk JAJ . Mathematical Model of Thermoregulation. In: Hardy JD , Gagge AP , Stolwijk JAJ , editors. Physiological and Behavioral Temperature Regulation. Springfield, IL: Charles C, 1970, pp. 703‐721.
 235. Stolwijk JAJ . A mathematical model of physiological temperature regulation in man. NASA contractor report, NASA CR‐1855, Washington DC, 1971.
 236. Stolwijk JAJ , Hardy JD . Partitional calorimetric studies of responses of man to thermal transients. J Appl Physiol 21: 967, 1966.
 237. Takada S , Kobayashi H , Matsushita T . Thermal model of human body fitted with individual characteristics of body temperature regulation, Build Environ 44‐3: 463‐470, 2009. ISSN 0360‐1323, http://dx.doi.org/10.1016/j.buildenv.2008.04.007.
 238. Tanabe S , Arens EA , Bauman FS , Zang H , Madsen TS . Evaluating thermal environments by using a thermal manikin with controlled skin surface temperature. ASHRAE Trans 100: 39‐48, 1994.
 239. Tanabe S , Kobayashi K , Nakano J , Ozeki Y , Konishi M . Evaluation of thermal comfort using combined multi‐node thermoregulation (65MN) and radiation models and computational fluid dynamics (CFD). Energ Buildings 34(6): 637‐646, 2002.
 240. Thom EC . The discomfort index. Weatherwise 12: 57‐60, 1959.
 241. Tikuisis P , Ducharme MB . Finite‐element solution of thermal conductivity of muscle during cold water immersion. J Appl Physiol 70: 2673‐2681, 1991.
 242. Tilley AR , Associates HD . The measure of man and woman: Human factors in design. In: Whitney Library of Design. New York: Imprint of Watson‐Guptill Publications, 1993.
 243. Tinz B , Jendritzky G . Europa‐ und weltkarten der gefühlten temperatur. In: Chmielewski F‐M , Foken Th , editors. Beiträge zur Klima‐ und Meeresforschung. Berlin und Bayreuth, pp. 111‐123, 2003.
 244. van der Linden WJ . Equating error in observed‐score equating. Appl Psychol Meas 30: 355‐378, 2006.
 245. van Marken Lichtenbelt WD , Frijns AJH , van Ooijen MJ , Fiala D , Kester AM , van Steenhoven AA . Validation of an individualised model of human thermoregulation for predicting responses to cold air. Int J Biometeorol 51: 169‐179, 2007.
 246. Varene P . Computation of respiratory heat exchanges. J Appl Physiol 61(4): 1586‐1589, 1986.
 247. Visscher TLS , Seidel JC . Time trends (1993‐1997) and seasonal variation in body mass index and waist circumference in the Netherlands. Int J Obes 28(10): 1309‐1316, 2004.
 248. Vogt JJ , Candas V , Libert JP , Daull F . Required sweat rate as an index of thermal strain in industry. Stud Environ Sci 10: 99‐110, 1981.
 249. Wang F , Kuklane K , Gao C , Holmér I . Can the PHS model (ISO7933) predict reasonable thermophysiological responses while wearing protective clothing in hot environments? Physiol Meas 32 (2): 239, 2011.
 250. Weinbaum S , Jiji LM , Lemons DE . Theory and experiment for the effect of vascular microstructure on surface tissue heat transfer ‐ part I: Anatomical foundation and model conceptualization. ASME J Biomech Eng 106: 321‐330, 1984.
 251. Weinbaum S , Jiji LM . A new simplified bioheat equation for the effect of blood flow on local average tissue temperature. ASME J Biomech Eng 107: 131‐139, 1985.
 252. Weng WG , Han XF , Fu M . An extended multi‐segmented human bioheat model for high temperature environments. Int J Heat Mass Transfer 75: 504‐513, 2014, ISSN 0017‐9310, http://dx.doi.org/10.1016/j.ijheatmasstransfer.2014.03.091.
 253. Werner J . Temperature regulation during exercise: A review. In: Gisolfi CV , Lamb DR , Nadel ER , editors. Exercise, Heat and Thermoregulation. Dubuque: Brown & Benchmark, 1993, pp. 49‐84.
 254. Werner J , Buse M . Temperature profiles with respect to inhomogeneity and geometry of the human body. J Appl Physiol 65: 1110‐1118, 1988.
 255.WHO Interim report FAO/WHO/UNU Expert Consultation, Report on Human Energy Requirements. Geneva, WHO, 2004.
 256. Winslow CEA , Herrington LP , Gagge AP . Physiological reactions of the human body to varying environmental temperatures. J Physiol 120‐1, 1937.
 257. Wissler EH . The effect of longitudinal conduction of heat on the cooling of the finger. US Army Medical Research Laboratory Report No. 363. Fort Knox, KY: US Army, 18 December, 1958.
 258. Wissler EH . Steady‐state temperature distribution in man. J Appl Physiol 16: 734‐740, 1961.
 259. Wissler EH . An analysis of factors affecting temperature levels in the nude human. Temperature, its Measurement and Control in Science and Industry Vol. III, Part 3, Biology and Medicine. Edited by James D. Hardy. New York: Reinhold; London: Chapman and Hall, 603‐612, 1963.
 260. Wissler EH A mathematical model of the human thermal system. Bull Math Biophys 26: 147‐166, 1964.
 261. Wissler EH Mathematical simulation of human thermal behavior using whole body models. In: Shitzer A , Eberhart RC , editors. Heat Transfer in Medicine and Biology - Analysis and Applications. New York London: Plenum, 1985, pp. 325‐373.
 262. Wissler EH , Pasche A . Diver response to hot water loss at depths greater than 300 meters: Experimental observations and theoretical interpretation. In: H Omhaaen , editor. Proceedings of the XIIth Annual Meeting of the European Undersea Biomedical Society, Bethesda, Md. (9650 Rockville Pike, Bethesda 20814): Undersea Medical Society, pp. 7-14, 1985.
 263. Wissler EH . A review of human thermal models. In: Mekjavic IB , Banister EW , Morrison JB , editors. Environmental Ergonomics. New York: Taylor and Francis, 1988, pp. 267‐285.
 264. Wissler EH . Pennes' 1948 paper revisited. J Appl Physiol 85.1: 35‐41, 1998.
 265. Wölki D , van Treeck C , ibpsa.org. Individualization of a mathematical manikin model in terms of gender, age and morphological issues for predicting thermal comfort: A Preliminary Study 2013, Proceedings of BS2013: 13th Conference of International Building Performance Simulation Association, International Building Performance Simulation Association, Loughborough, UK, Chambéry, France.
 266. Wölki D , van Treeck C , Zhang Y , Stratbücker S , Bolineni SR , Holm A . Individualisation of virtual thermal manikin models for predicting thermophysical responses. Proceeding of the Indoor Air Conference, International Society of Indoor Air Quality and Climate - ISIAQ, Santa Cruz, california, Austin; Texas, 2011.
 267. Wulff W . The energy conservation equation for living tissue. ISEE Trans BME 21(6): 494‐495, 1974.
 268. Wyndham CH , Atkins AR . A physiological scheme and mathematical model of temperature regulation in man. Pflügers Arch 303: 14‐30, 1968.
 269. Xu X , Tikuisis P . Thermoregulatory modeling for cold stress. Compr Physiol 4: 1057‐1081, July 2014.
 270. Xu X , Werner J . A dynamic model of the human/clothing/environment system. Appl Human Sci 16: 61‐75, 1997.
 271. Yaglou CP , Minard D . Control of heat casualties at military training centers. AMA Archives of Industrial Health 16.4: 302‐316, 1957.
 272. Yokota M , Berglund L , Cheuvront S , Santee W , Latzka W , Montain S , Moran D . Thermoregulatory model to predict physiological status from ambient environment and heart rate. Comput Biol Med 38(11): 1187‐1193, 2008.
 273. Yokota M , Berglund LG , Bathalon GP . Monte Carlo simulations of individual variability and their effects on simulated heat stress using thermoregulatory modeling. J Therm Biol 35‐3: 154‐159, 2010. ISSN 0306‐4565, http://dx.doi.org/10.1016/j.jtherbio.2010.02.002.
 274. Yousaf R , Fiala D , Wagner A . Numerical simulation of human radiation heat transfer using a mathematical model of human physiology and computational fluid dynamics (CFD). In: Nagel EW , Kröner D , Resch M , editors. High Performance Computing in Science and Engineering '07 Trans. High Performance Computing Center Stuttgart. Heidelberg: Springer Berlin, 2007, Part 8, pp. 647‐666
 275. Zhang H , Huizenga Ch , Arens E , Yu T . Considering individual physiological differences in a human thermal model. J Thermal Biology 26 (4‐5): 401‐408, 2001. ISSN 0306‐4565, http://dx.doi.org/10.1016/S0306‐4565(01)00051‐1.
 276. Zhou X , Lian Z , Lan L . An individualized human thermoregulation model for Chinese adults. Build Environ 70: 257‐265, 2013. ISSN 0360‐1323, http://dx.doi.org/10.1016/j.buildenv.2013.08.031.
 277. Zintl W . Physiologische Reaktionen im Bereich der Hitzetoleranzgrenze vor und nach Hitzeakklimation bei einer ruhenden Versuchsperson (Physiological reactions in resting test subjects at the limit of their heat tolerance before and after acclimatization to heat). Dissertation, Universitaet Tuebingen, 1979, pp. 56.
 278.Zunis foundation website, http://www.zunis.org/index.html, accessed January 20, 2014.

Corrigendum

George Havenith, Dusan Fiala. Thermal Indices and Thermophysiological Modeling for Heat Stress. Compr Physiol 2015, 6: 255-302. doi: 10.1002/cphy.c140051

Corrections have been made to properly spell out the acronym PHS in two places in the article. The error was introduced during the copy editing process.

On page 264, “which led to a new version of the standard, the Public Health System (PHS),” was corrected to “which led to a new version of the standard, the predicted heat strain (PHS)”.

On page 288, “PHS. To mitigate the adverse health effects…” was corrected to “Public health system. To mitigate the adverse health effects…”


Related Articles:

Top downloaded articles of 2019

Contact Editor

Submit a note to the editor about this article by filling in the form below.

* Required Field

How to Cite

George Havenith, Dusan Fiala. Thermal Indices and Thermophysiological Modeling for Heat Stress. Compr Physiol 2015, 6: 255-302. doi: 10.1002/cphy.c140051